不锈钢闸阀
- 销售:
- 销售:
- 传真:
详情介绍
- 产品介绍
- 服务承诺
- 订货流程
不锈钢闸阀:阀体、阀盖、闸板、闸杆使用不锈钢材料,阀座密封面为聚四氟乙烯、不锈钢+硬质合金或堆焊硬质合金,填料一般采用硬质合金、聚四氟乙烯、石棉石墨或柔性石墨。公称尺寸 DN15~DN800,工作压力 1.6MPa~20.0MPa,适用温度 ≤200℃,适用于硝酸类、弱腐蚀性介质管路中。
产品特点
1.采用奥氏体不锈钢,对氧化性酸介质拥有良好的耐蚀性。
2.介质流经不锈钢闸阀时不改变其流动方向,流体阻力小。
3.闸板运动方向与介质流动方向相垂直,启闭力矩小,开闭较省力。
4.介质流动方向不受限制,不扰流、不降低压力,介质可从闸阀两侧任意方向流过、均能达到使用的目的,适用于介质流动方向可能改变的管路中。
5.闸板垂直置于阀体内,结构长度较短。
6.密封性能好。全开时密封面受冲蚀较小。
![]() | ![]() |
| 不锈钢闸阀(法兰) | 不锈钢闸阀(内螺纹、丝口) |
不锈钢法兰闸阀 产品说明
Z41H、Z41Y、Z41W 不锈钢法兰闸阀:手动、法兰连接形式、明杆楔式刚性单闸板,阀座密封面材料为不锈钢,公称压力 PN16~PN200,阀体材料为不锈钢的闸阀。
Z41W、Z41Y、Z41H 不锈钢闸阀结构紧凑、设计合理、阀门刚性好、通道流畅、流阻系数小,密封面采用不锈钢和硬质合金,使用寿命长,采用柔性石墨填料、密封可靠、操作轻便灵活。应用于工作压力 1.6MPa~20.0MPa,工作温度 -29℃~200℃的石油、化工、水力、火力电站各种系统的管路上,适用介质为硝酸类、醋酸类、水、油、气类及某些腐蚀性液体。
不锈钢法兰闸阀 产品特点
① 符合国内外先进标准的要求,密封可靠、性能优良、造型美观。 ② 密封副配对先进合理,闸板和阀座的密封面采用不同硬度的硬质合金堆焊而成,密封可靠、硬度高、耐磨、耐高温、耐腐蚀、抗擦伤性能好、寿命长。 ③ 阀杆经调质及表面氮化处理,有良好的抗腐蚀性、抗擦伤性和耐磨性。 ④ 可采用各种配管法兰标准及法兰密封面形式,满足各种工程需要及用户要求。
不锈钢法兰闸阀 主要性能参数
型号 | PN | 工作压力 / MPa | 适用温度 / ℃ | 适用介质 |
Z41W-16P~25P | 16~25 | 1.6~2.5 | ≤ 150 | 弱腐蚀性介质 |
Z41Y-16P~25P | ||||
Z41W-16R~25R | ||||
Z41Y-16R~25R | ||||
Z41W-40P~63P | 40~63 | 4.0~6.3 | ≤ 150 | 弱腐蚀性介质 |
Z41Y-40P~63P | ||||
Z41W-40R~63R | ||||
Z41Y-40R~63R | ||||
Z41Y-100P~160P | 100~160 | 10.0~16.0 | ≤ 150 | 弱腐蚀性介质 |
Z41Y-100R~160R | ||||
Z41H-40P~200P | 40~200 | 4.0~20.0 | ≤ 200 | 硝酸类 |
Z41H-40R~200R |
不锈钢法兰闸阀 主要零件材料
型号 | 材料 | |||
阀体、阀盖、闸板 | 阀杆 | 密封面 | 填料 | |
Z41W-16P~25P | 铬镍钛不锈钢 | 铬镍钛不锈钢 | 本体材料 | 石棉石墨或柔性石墨 |
Z41Y-16P~25P | 堆焊硬质合金 | |||
Z41W-16R~25R | 铬镍钼钛不锈钢 | 铬镍钼钛不锈钢 | 本体材料 | |
Z41Y-16R~25R | 堆焊硬质合金 | |||
Z41W-40P~63P | 铬镍钛不锈钢 | 铬镍钛不锈钢 | 本体材料 | 聚四氟乙烯 |
Z41Y-40P~63P | 堆焊硬质合金 | |||
Z41W-40R~63R | 铬镍钼钛不锈钢 | 铬镍钼钛不锈钢 | 本体材料 | |
Z41Y-40R~63R | 堆焊硬质合金 | |||
Z41Y-100P~160P | 铬镍钛不锈钢 | 铬镍钛不锈钢 | 堆焊硬质合金 | 聚四氟乙烯 |
Z41Y-100R~160R | 铬镍钼钛不锈钢 | 铬镍钼钛不锈钢 | ||
Z41H-40P~200P | 铬镍钛不锈钢 | 不锈钢 | 不锈钢或不锈钢+硬质合金 | 柔性石墨 |
Z41H-40R~200R | 铬镍钼钛不锈钢 | 不锈钢 | 不锈钢或不锈钢+硬质合金 | 柔性石墨 |

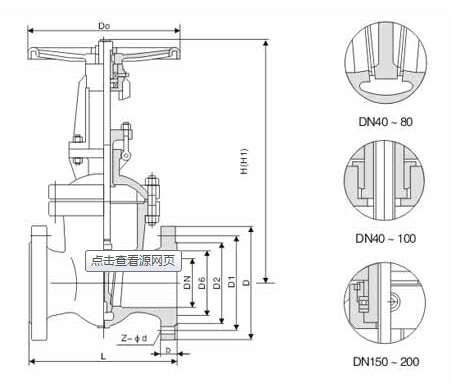
不锈钢法兰闸阀 主要外形尺寸
Z41H、Z41Y、Z41W(PN16)不锈钢闸阀
DN | L | D | D1 | D2 | b | f | z×ød | H | D0 | 重量 / kg |
15 | 130 | 95 | 65 | 45 | 14 | 2 | 4×ø14 | 175 | 200 | 4 |
20 | 150 | 105 | 75 | 55 | 14 | 2 | 4×ø14 | 180 | 200 | 5 |
25 | 160 | 115 | 85 | 65 | 14 | 2 | 4×ø14 | 210 | 200 | 6 |
32 | 180 | 135 | 100 | 78 | 16 | 2 | 4×ø18 | 210 | 200 | 7 |
40 | 200 | 145 | 110 | 85 | 16 | 3 | 4×ø18 | 350 | 200 | 19 |
50 | 250 | 160 | 125 | 100 | 16 | 3 | 4×ø18 | 358 | 240 | 29 |
65 | 265 | 180 | 145 | 120 | 18 | 3 | 4×ø18 | 375 | 240 | 33 |
80 | 280 | 195 | 160 | 135 | 20 | 3 | 8×ø18 | 433 | 280 | 45 |
100 | 300 | 215 | 180 | 155 | 20 | 3 | 8×ø18 | 502 | 320 | 63 |
125 | 325 | 245 | 210 | 185 | 22 | 3 | 8×ø18 | 612 | 360 | 108 |
150 | 350 | 280 | 240 | 210 | 24 | 3 | 8×ø23 | 676 | 360 | 134 |
200 | 400 | 335 | 295 | 265 | 26 | 3 | 12×ø23 | 820 | 400 | 192 |
250 | 450 | 405 | 355 | 320 | 30 | 3 | 12×ø25 | 969 | 450 | 273 |
300 | 500 | 460 | 410 | 375 | 30 | 4 | 12×ø25 | 1142 | 560 | 379 |
350 | 550 | 520 | 470 | 435 | 34 | 4 | 16×ø25 | 1280 | 640 | 590 |
400 | 600 | 580 | 525 | 485 | 36 | 4 | 16×ø30 | 1452 | 640 | 850 |
450 | 650 | 640 | 585 | 545 | 40 | 4 | 20×ø30 | 1541 | 720 | 907 |
500 | 700 | 705 | 650 | 608 | 44 | 4 | 20×ø34 | 1676 | 720 | 958 |
600 | 800 | 840 | 770 | 718 | 48 | 5 | 20×ø41 | 1874 | 800 | 1112 |
Z41H、Z41Y、Z41W(PN25)不锈钢闸阀
DN | L | D | D1 | D2 | b | f | z×ød | H | D0 | 重量 / kg |
15 | 130 | 95 | 65 | 45 | 16 | 2 | 4×ø14 | 175 | 200 | 4 |
20 | 150 | 105 | 75 | 55 | 16 | 2 | 4×ø14 | 180 | 200 | 5 |
25 | 160 | 115 | 85 | 65 | 16 | 2 | 4×ø14 | 210 | 220 | 6 |
32 | 180 | 135 | 100 | 78 | 18 | 2 | 4×ø18 | 210 | 220 | 7 |
40 | 200 | 145 | 110 | 85 | 18 | 3 | 4×ø18 | 350 | 220 | 18 |
50 | 250 | 160 | 125 | 100 | 20 | 3 | 4×ø18 | 358 | 250 | 25 |
65 | 265 | 180 | 145 | 120 | 22 | 3 | 8×ø18 | 373 | 280 | 35 |
80 | 280 | 195 | 160 | 135 | 22 | 3 | 8×ø18 | 435 | 300 | 50 |
100 | 300 | 230 | 190 | 160 | 24 | 3 | 8×ø23 | 500 | 350 | 65 |
125 | 325 | 270 | 220 | 188 | 28 | 3 | 8×ø25 | 614 | 400 | 100 |
150 | 350 | 300 | 250 | 218 | 30 | 3 | 8×ø25 | 674 | 450 | 135 |
200 | 400 | 360 | 310 | 278 | 34 | 3 | 12×ø25 | 818 | 500 | 180 |
250 | 450 | 425 | 370 | 332 | 36 | 3 | 12×ø30 | 969 | 550 | 207 |
300 | 500 | 485 | 430 | 390 | 40 | 4 | 16×ø30 | 530 | 560 | 400 |
350 | 550 | 550 | 490 | 448 | 44 | 4 | 16×ø34 | 1280 | 640 | 631 |
400 | 600 | 610 | 550 | 505 | 48 | 4 | 16×ø34 | 1450 | 640 | 900 |
450 | 650 | 660 | 600 | 555 | 50 | 4 | 20×ø34 | 1541 | 720 | 1013 |
500 | 700 | 730 | 660 | 610 | 52 | 4 | 20×ø41 | 1676 | 720 | 1166 |
600 | 800 | 840 | 770 | 718 | 56 | 5 | 20×ø41 | 1874 | 800 | 1258 |
700 | 900 | 955 | 875 | 815 | 60 | 5 | 24×ø48 | 2280 | 850 | — |
800 | 1000 | 1070 | 990 | 930 | 64 | 5 | 24×ø48 | 2420 | 900 | — |
Z41H、Z41Y、Z41W(PN40~63)不锈钢闸阀
DN | L | D | H | W | 重量 / kg |
50 | 250 | 160 | 685 | 250 | 30 |
175 | 30 | ||||
65 | 280 | 180 | 705 | 250 | 41 |
200 | 300 | 42 | |||
80 | 310 | 195 | 780 | 250 | 48 |
210 | 350 | 51 | |||
100 | 350 | 230 | 805 | 300 | 78 |
250 | 400 | 80 | |||
125 | 400 | 270 | 890 | 350 | 112 |
295 | 400 | 125 | |||
150 | 450 | 300 | 945 | 350 | 152 |
340 | 1002 | 450 | 175 | ||
200 | 550 | 375 | 1100 | 400 | 200 |
405 | 1150 | 450 | 220 | ||
250 | 650 | 445 | 1350 | 450 | 300 |
470 | 500 | 320 | |||
300 | 750 | 510 | 1445 | 500 | 450 |
530 | 1528 | 650 | 490 | ||
350 | 850 | 570 | 1665 | — | 680 |
595 | 1792 | — | 700 | ||
400 | 950 | 655 | 1930 | — | 850 |
670 | 2180 | — | 920 |
Z41H、Z41Y、Z41W(PN100)不锈钢闸阀
DN | L | D | H | W | 重量 / kg |
50 | 250 | 195 | 680 | 300 | 48 |
65 | 280 | 220 | 720 | 300 | 68 |
80 | 310 | 230 | 870 | 350 | 92 |
100 | 350 | 265 | 885 | 400 | 133 |
125 | 400 | 310 | 1020 | 450 | 216 |
150 | 450 | 350 | 1110 | 500 | 275 |
200 | 550 | 430 | 1225 | 500 | 360 |
250 | 650 | 500 | 1257 | 550 | 700 |
Z41H、Z41Y、Z41W(PN160)不锈钢闸阀
DN | L | D | H | W | 重量 / kg |
65 | 340 | 245 | 820 | 350 | 110 |
80 | 390 | 260 | 850 | 350 | 145 |
100 | 450 | 300 | 980 | 400 | 192 |
125 | 525 | 355 | 1050 | 450 | 307 |
Z41H、Z41Y、Z41W(PN200)不锈钢闸阀
DN | L | D | H | W | 重量 / kg |
50 | 350 | 210 | 712 | 350 | 108 |
65 | 410 | 260 | 765 | 400 | 195 |
80 | 470 | 290 | 835 | 450 | 250 |
100 | 550 | 360 | 950 | 500 | 350 |
125 | 650 | 385 | 1080 | 500 | 540 |
150 | 750 | 440 | 1140 | 600 | 738 |
丝口内螺纹不锈钢闸阀 产品说明
Z15W-16R、Z15W-16P 型不锈钢闸阀(Z15W 丝口内螺纹不锈钢闸阀):手动、内螺纹连接形式、暗杆楔式刚性单闸板,阀座密封面材料为不锈钢,工作压力 1.6MPa,阀体材料为不锈钢的闸阀。适用温度 -20~180℃,公称通径 DN15~DN50,适用介质为水、蒸汽、油品。广泛应用于国防、科研、航天、电子、机械、冶金、石油,化工,能源、环保、生物医药、制冷、食品等各种领域。
Z15W-16R、Z15W-16P 型不锈钢闸阀结构简单,制造和维修比较方便;工作行程小,启闭时间短;密封性好,密封面间磨擦力小,寿命较长;不适用于带颗粒、粘度较大、易结焦的介质。
丝口内螺纹不锈钢闸阀主要性能参数
型号 | PN | 工作压力 (MPa) | 适用温度 (℃) | 适用介质 |
Z15W-16R | 16 | 1.6 | -20~180 | 水、轻微腐蚀性气液体、饱和蒸汽、直接饮水 |
Z15W-16P |
丝口内螺纹不锈钢闸阀 主要零件材料
名称 | 阀体、阀盖、闸板 | 阀杆 | 密封面 | 填料 |
材料 | 不锈钢 | 不锈钢 | 不锈钢 | 膨胀石墨 |

丝口内螺纹不锈钢闸阀 主要外形尺寸
DN | Rc/in | L | B | H | D0 |
15 | Rc1/2 | 56.5 | 15 | 94 | 70 |
20 | Rc3/4 | 60 | 20 | 102 | 70 |
25 | Rc1 | 68 | 25 | 114 | 80 |
32 | Rc1¼ | 75.5 | 32 | 124 | 80 |
40 | Rc1½ | 80 | 40 | 152.5 | 100 |
50 | Rc2 | 90.5 | 50 | 169.5 | 100 |
良好的品质、优良的服务 8868体育·(中国)官方网站为你创造更多价值!
“8868体育·(中国)官方网站”的期望,不断提升服务质量,精益求精,“真诚的服务”是“8868体育·(中国)官方网站”永恒的主题。“8868体育·(中国)官方网站”严格按照IS09001-2000 质量体系认证要求,质量严格把关, 责任到人,确保生产、销售、服务的健康运行。加强与用户沟通,竭诚为广大客户提供优良产品,至善至美服务。特此我厂做出以下承诺:
产品标准:
产品严格按照中国GB、HG 标准和美国API等标准设计、制造、验收。密封面硬度达到国家规定要求,宽度超过国家标准。
售前服务:
产品介绍,技术交流,非标产品设计,疑难解答。
售中服务:
守信合同,保证及时供货,随时保持与客户联系。 对特殊或复制的产品,我厂安排技术人员对用户进行产品使用、故障排除
售后服务:
1、“8868体育·(中国)官方网站”牌产品品质期为自出厂起12个月,实行“三包”服务(包退、包换、保修)。
2、产品在使用中我厂定期组织技术、质检人员进行访问,征询用户对产品质量、 使用状况、改进意见等方面的反馈, 以便进一步提高产品质量。
3、对用户投诉质量问题,快速作出反应,售后服务人员在24-36小时(省外48小时)赶赴现场。
4、对售后服务,要求用户填写服务后的质量反馈信息表,并作出鉴定意见,以便提高8868体育·(中国)官方网站的服务质量。
1、客户如对产品有特殊要求,须在订货合同中提供以下说明:
a、结构长度;
b、连接形式;
c、公称直径、全通径、缩径、管道尺寸;
d、运行介质及温度、压力范围;
e、试验、检验标准及其他要求
2、本厂可根据客户特定要求配置各类驱动装置。
3、如由客户提供确定的阀门类型和型号时,客户应正确说明其型号的含义和要求,在供需双方理解一致的条件下签订合同。
4、期货、订货的客户请先来电函详细告诉所需的阀门型号、规格、数量以及交货时间、地点,并按总的30%预定金或全额货款及时汇入我厂帐户,其余货款待发货前汇入,以便及时安排发货。
订单流程:
1、客户采购清单传真至,或来电咨询
2、收到客户采购清单,为客户提供阀门型号选型与报价(价格清单)。
3、具体商定:交货期、特殊要求等事宜。
订货须知:
1、客户如对产品有特殊要求,须在订货合同中提供以下说明:
|
|||||
|
|||||
2、本厂可根据客户特定要求配置各类驱动装置。
|
|||||
3、如由客户提供确定的阀门类型和型号时,客户应正确说明其型号的含义和要求,在供需双方理解一致的条件下签订合同。
|
|||||
4、期货、订货的客户请先来电函详细告诉所需的阀门型号、规格、数量以及交货时间、地点,并按总的30%预定金或全额货款及时汇入我厂账户, 其余货款待发货前汇入,以便及时安排发货。
|
售中服务:
守信合同,保证及时供货,随时保持与客户联系。
对特殊或复制的产品,我厂安排技术人员对用户进行产品使用、故障排除
售后服务:
1、“8868体育·(中国)官方网站”产品品质期为自出厂起12个月,实行“三包”服务(包退、包换、保修)。
2、产品在使用中我厂定期组织技术、质检人员进行访问,征询用户对产品质量、使用状况、改进意见等方面的反馈,
以便进一步提高产品质量。
3、对用户投诉质量问题,快速作出反应,售后服务人员在24-36小时(省外48小时)赶赴现场。
4、对售后服务,要求用户填写服务后的质量反馈信息表,并作出鉴定意见,以便提高“8868体育·(中国)官方网站”的服务质量。
声明 |
|

